
Hello friends welcome to FreeCAD tutorial in our previous tutorial we have learned Setting the color of Sketch lines in FreeCAD. In this tutorial we will do modeling in FreeCAD with the help of Part design workbench of FreeCAD. You can also download my source file of the tutorial at https://mechnexus.com/mechnexus-youtube-tutorial-source-file/ so let’s start our tutorial.
Also Read-:

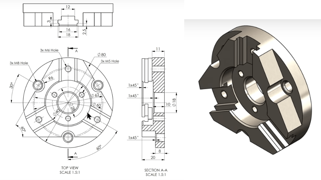
Step by Step Guide to Convert below drawing into 3D Model -:

Selected the right plane and create below sketch.
Now create the revolution A shown in below image.
Now select the face and create the below sketch As shown in image.
Now extrude the above profile to 12mm as shown in below image.
Now select the face and create the below sketch As shown in below image.
Now create the cut and set end condition up to face As shown in below image.
Now polar pattern the about cut As shown in below image.
Now select the face and create circle of 40mm as shown in below image.
Now create the Cut with depth of 10mm As shown in below image.
Now create a plane at distance of 40mm with respect to XY plane. As shown in below image.
Now select the datum plane and create the below profile. As shown in below image.
Now create the Cut As shown in below image.
Now polar pattern the cut As shown in below image.
Now select the face and create the hole sketch of 8mm as shown in below image.
Now create the M8 hole as shown in below image.
Now create sketch as shown in below image.
Create the M5 threaded hole as shown in below image.
Now polar pattern the above M5 hole as shown in below image.
Now create the hole sketch As shown in below image.
Create the Polar Pattern As shown in below image.
Now give Chamfer of 1mm as shown in below image.

“Thank you for reading! If you found this article insightful and valuable, consider sharing it with your friends and followers on social media. Your share can help others discover this content too. Let’s spread knowledge together. Your support is greatly appreciated!”

