
Hello friends welcome to FreeCAD Part Modeling tutorial. In this tutorial we will Model Pump Body in FreeCAD with the help of Dodo Workbench. If you want to learn FreeCAD from scratch you can buy my Complete FreeCAD 1.0 Course : From Zero to Expert! on Udemy.
Related posts:
- Model Involute Gear in FreeCAD
- Let’s understand FreeCAD Part Workbench
- Let’s Explore the FreeCAD user Interface
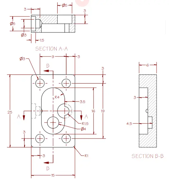
You can download this tutorial FreeCAD model with my FreeCAD 3D Model Library with Serial No.40 As shown in below image. once you click on image you will directed to Google drive folder where you will get FreeCAD model and it’s 2D Drawing. If you like my work please support me on ko-fi.com even if it’s just enough to Buy me a Coffee every little helps and this will be repaid in full through my sharing of knowledge.


Step by Step Video Guide to Model Frame in FreeCAD-:
https://youtu.be/97rztrC2GnU?si=VV_w9x8K2vlUVIfZ
“Thank you for reading! If you found this article insightful and valuable, consider sharing it with your friends and followers on social media. Your share can help others discover this content too. Let’s spread knowledge together. Your support is greatly appreciated!”
My FreeCAD Projects at Amount of Coffee-:

