
Hello friends welcome to FreeCAD tutorial in our previous tutorial we have learned FreeCAD Part Modeling Tutorial 141. In this tutorial we will do modeling in FreeCAD with the help of Part design workbench of FreeCAD. You can also download my source file of the tutorial at https://mechnexus.com/mechnexus-youtube-tutorial-source-file/ so let’s start our tutorial.
Also Read-:
| Setup Auto Spacing in FreeCAD Sketcher |
| FCViewer-: Easiest Way to Showcase FreeCAD Project |
| Basics of Boolean Operation in FreeCAD |
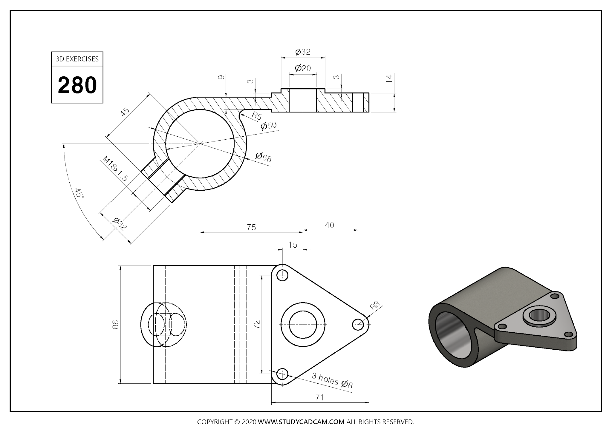
Step by Step Guide to Convert below drawing into 3D Model -:

Select front plane and create below sketch.
Create the pad of 86mm as shown in below image.
select the top face and create below sketch.
Create the pad in two direction as shown in below image.
Select the top face and create below sketch.
Create the pad as shown in below image.
create the datum plane as shown in below image.
create the datum plane as shown in below.
Create datum plane as shown in below image at distance of 45mm as shown in below image.
Select the datum plane and create below sketch.
Create the Pad as shown in below image.
Select the face and create below sketch.
Create the threaded hole of M18 as shown in below image.
Select the top face and create below sketch.
Create the cut as shown in below image.
Create the hole sketch as shown in below image.
Create the hole as shown in below image.
Create the fillet of 5mm as shown in below image.

“Thank you for reading! If you found this article insightful and valuable, consider sharing it with your friends and followers on social media. Your share can help others discover this content too. Let’s spread knowledge together. Your support is greatly appreciated!”


